La válvula de mariposa de doble brida es una válvula eficiente y confiable, diseñada para proporcionar un control de flujo eficiente para diversas aplicaciones. La válvula tiene un diseño duradero y altamente preciso que garantiza una regulación precisa del flujo, una alta funcionalidad y un rendimiento duradero...

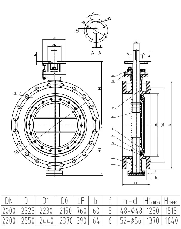
No | Nombre de la pieza | Material | ||
1 | Cuerpo | WCB | ||
2 | Tallos | 2Cr13 | ||
3 | Asientos | SS304 | ||
4 | Anillo de sellado | EPDM | ||
5 | Retenedor | Q235 | ||
6 | Disco | WCB | ||
7 | Bush | Autolubricado | ||
8 | Yugo | WCB | ||
9 | Glándulas | WCB | ||

La válvula de mariposa de doble brida es una válvula eficiente y confiable, diseñada para proporcionar un control de flujo eficiente para diversas aplicaciones. La válvula tiene un diseño duradero y altamente preciso que garantiza un ajuste preciso del flujo, una alta funcionalidad y un rendimiento duradero.
En su estructura, ambos extremos del cuerpo de la válvula están equipados con placas de brida estándar, conectadas a la tubería a través de pernos, la instalación y el desmontaje son convenientes, y se pueden adaptar a una variedad de tamaños de tubería y niveles de presión. Durante el trabajo, el pétalo en forma de disco en el cuerpo de la válvula gira 90 ° alrededor del vástago de la válvula, logrando así la apertura, cierre o ajuste de flujo del fluido de la tubería. Cuando el pétalo está completamente abierto, el líquido pasa casi sin obstáculos y el coeficiente de resistencia al flujo es bajo; Cuando el disco está cerrado, el asiento y el disco están estrechamente unidos y el rendimiento de sellado es bueno.
Las ventajas de la válvula de mariposa de doble brida son obvias: la estructura es compacta y ahorra espacio, y el peso es ligero y fácil de transportar e instalar. En comparación con las válvulas de puerta y globo, su velocidad de apertura y cierre es rápida, el par de operación es pequeño y la demanda de mano de obra o dispositivos de conducción es menor. Al mismo tiempo, los materiales de sellado son opcionales de caucho, politetrafluoroen, etc., adecuados para agua, gas, aceite y otros medios. En ingeniería de abastecimiento de agua y drenaje, sistemas de calefacción, ventilación y aire acondicionado, tuberías químicas, la válvula de mariposa de doble brida se ha convertido en una opción ideal para el control de fluidos gracias a su rendimiento confiable.
En general, la válvula de mariposa de doble brida es una válvula eficiente y confiable que puede ayudar a optimizar el proceso de producción y reducir los costos de mantenimiento. Su robusta estructura y diseño preciso lo convierten en una opción confiable para aplicaciones clave de control de flujo, asegurando la máxima eficiencia operativa y seguridad.
Dimensiones del producto
| Criterios | En593 / iso5752 / bs5155 / Awwa c504 La perforación de la brida cumple con din2501, bs4504, ANSI b16.1 |
| Presión laboral | 10bar/16bar/25bar |
| Presión de ensayo: | |
| Cáscara | 15bar/24bar/37.5bar |
| Sellado | 11bar/17.6bar/27.5bar |
| Tipo | Doble brida excéntrica, doble brida concéntrica |
| Material: | |
| Cuerpo | Di / ci / acero al carbono / acero inoxidable |
| Disco | Di / acero inoxidable 304 / 316, bronce de aluminio |
| Eje | Acero inoxidable410/416/420 |
| Asientos | EPDM/NBR |
| Recubrimiento | Recubrimiento de resina epoxi fundida por dentro y por fuera, con un espesor mínimo de 250 micras |
| No | Nombre de la pieza | Material |
| 1 | Caja de cambios | Acero al carbono / acero inoxidable / hierro fundido |
| 2 | Apoyo | Acero al carbono / acero inoxidable / hierro fundido |
| 3 | Cuerpo | Hierro fundido / hierro dúctil / acero inoxidable / acero al carbono |
| 4 | Disco | Bronce de aluminio / aleación Monel / cf8m / wcb / hierro dúctil |
| 5 | Perno | Acero al carbono / acero inoxidable |
| 6 | Reservador | Acero al carbono / acero inoxidable |
| 7 | Asiento de Goma | Epdm / pefe / caucho nitrilo / nepalon / caucho flúor / caucho Cloropreno |
| 8 | Soporte del asiento | Acero al carbono / acero inoxidable / hierro fundido |
Enviar una consulta
Puedes decirme lo que quieres y lo haré por ti.